Zakładam nowy wątek, bo i naprawa niestandardowa.
A więc:
jak wielu użytkownikom Asterek przytrafiła mi się usterka 1-go biegu wentylatora chłodnicy.
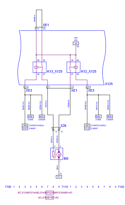
W 1,6XEP są dwa biegi silnika wentylatora chłodnicy, pomimo, że cały układ elektryczny przystosowany jest do trzech (3 przekaźniki: nr 11,12,13; okablowanie, opornica z podwójnym uzwojeniem: 0,8 ohma / 0,7ohma - I i II bieg).
Sterownik podaje sygnał tylko do dwóch przekaźników, t.j. 12 i 13, a 11 nie pracuje w ogóle - sprawdzone prostym przyrządem na trzech ledach.
Zresztą pokazuje to schemat - zał.
Tak więc jedno uzwojenie opornicy pozostaje cały czas bezczynne i nie wypala się po czasie.
Jeżeli chcemy najprostszym sposobem i bezkosztowo reanimować opornicę wentylatora chłodnicy,
to odkręcamy opornicę od wentylatora (trzeba podnieść samochód i się pod nim położyć - dostęp dobry),
odkręcić obudowę opornicy (torx 20), otworzyć ją (podważając 2 x płaskim śrubokrętem i następnie zmostkować dwa środkowe piny).
Można na wszelki wypadek wyjąć przekaźnik 11 ze skrzynki bezpieczników, jak ktoś się obawia.
Cieszymy się pracą opornicy przez następne 10 lat
(ja niestety tak nie zrobiłem, odciąłem opornicę i zamontuję w jej miejsce oporniki mocy - opiszę w osobnym poście)


